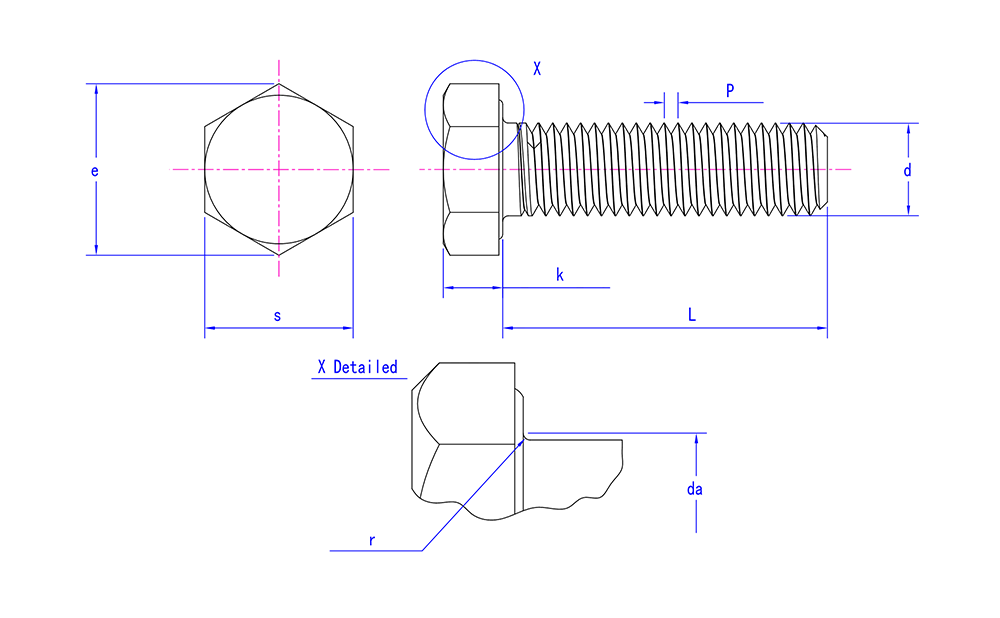
DIN 933 bolt kepala heksagon keluli tahan karat dengan utas penuh
| Ciri -ciri kepala | Sepenuhnya berulir |
| Ciri -ciri Rod | Kepala Hexagon Standard |
| Tujuan teras | Digunakan untuk sambungan tugas berat, mampu menanggung beban tinggi. |
| Kelebihan dan ciri | Reka bentuk berulir sepenuhnya menawarkan kekuatan sambungan yang lebih kuat, sesuai untuk jarak jauh sambungan. |
| Kegunaan biasa | Sambungan untuk peralatan berat, peralatan perindustrian, industri automotif, jentera, dan kemudahan pembinaan. |
| Petunjuk utama untuk pemilihan | Panjang bolt, diameter, berulir sepenuhnya, pemilihan bahan, kapasiti beban. |
| Keperluan khusus industri | Jentera Berat: Digunakan untuk menahan ketegangan dan daya ricih yang besar, yang memerlukan keupayaan penetapan yang kuat. Industri Pembinaan: Sesuai untuk sambungan yang memerlukan kenalan thread penuh. |















